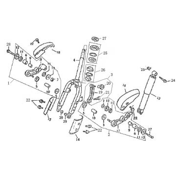
Technische tekeningen voor Berini Bella Milano wit
Klik hier op de technische tekeningen of te wel exploded view van de Berini Bella Milano wit scooter waar u onderdelen of accessoires voor zoekt. De technische tekeningen van de Berini Bella Milano wit geven u een duidelijk overzicht van de verschillende passende onderdelen en accessoires. Door zo uw onderdelen te zoeken, heeft u altijd passende onderdelen voor uw Berini Bella Milano wit.


